Veľkoobchod Chemická práčka

  • Chemická práčka

Chemická práčka

Chemická práčka je pokročilý čistiaci filter. Používa špeciálnu štruktúru a veľkú špecifickú plochu bežného balenia ako obal na prenos hmoty a dehydratáciu. Zároveň sa podľa rôznych zložiek v zápachu, ktoré spôsobujú zápach, používa zodpovedajúca kyselina, zásada a oxidant ako absorpčná umývacia kvapalina na odstránenie zápachu v priestore a elimináciu vplyvu na okolité prostredie.

Pachový prúd vzduchu je transportovaný cez vzduchové potrubie a vstupuje do veže zo vstupu do veže. Po vstupe do veže prechádza cez výplňovú vrstvu zdola nahor a nakoniec je vypúšťaný z výstupu potrubia z hornej časti veže cez antikorózny ventilátor. Neutralizačný roztok prechádza cez odlučovač kvapalín v hornej časti veže, rovnomerne sa rozprašuje do výplňovej vrstvy, steká po povrchu výplňovej vrstvy, až kým nie je vypustený z dna veže potrubím, a cirkuluje antikoróznym obehovým čerpadlom. Keď sa koncentrácia rozpustených látok v stúpajúcom prúde vzduchu znižuje a znižuje, čistiaca funkcia sa dosiahne, keď dosiahne vrchol veže a vypustí sa alebo pokračuje v čistení v ďalšom kroku. Naopak, koncentrácia média v zostupnej kvapaline je stále vyššia a vyššia a dosiahne procesné podmienky, keď dosiahne dno veže a je vypustená z veže.

Výhody rozprašovacej baliacej veže: Má vysokú účinnosť, malú kapacitu na zadržiavanie kvapaliny, nízku hmotnosť a jednoduchú obsluhu, čo umožňuje pracovníkom okamžite začať. Plnivo je možné vybrať podľa pracovných podmienok poskytnutých zákazníkom. Existuje mnoho typov a vo všeobecnosti sa používajú guľôčkové krúžky odolné voči korózii. Je však potrebné poznamenať, že tuhé suspendované látky môžu upchať plnivo kvôli veľkému priemeru častíc, takže vo všeobecnosti nie je vhodné na úpravu pevných látok. Napríklad NH3, HCl, H2S, oxidy dusíka a organické odpadové plyny generované v továrňach môžu byť účinne spracované pomocou tohto zariadenia.

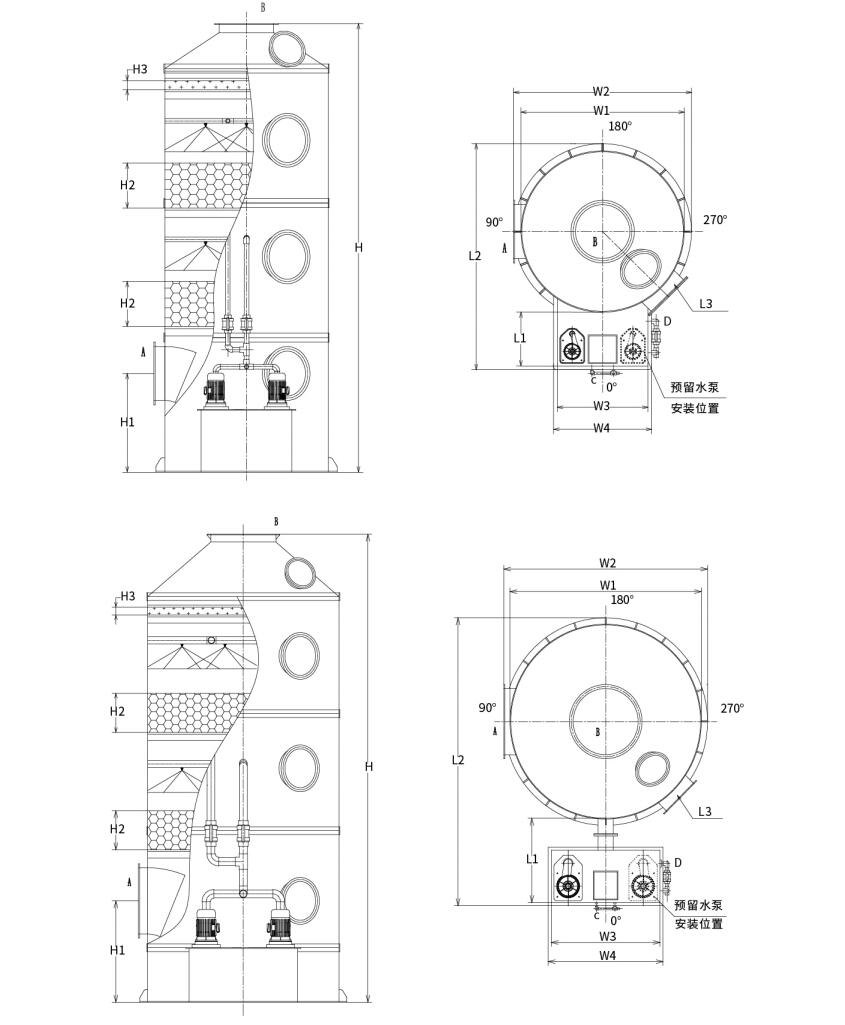
Štruktúra chemickej práčky:
Ako je znázornené na obrázku: Kompletný zabalený systém čistenia sprejom obsahuje nasledujúce komponenty:

1. Teleso veže vyrobené z PP (polypropylénových) plechov;

2. Nosný rám balenia vyrobený z PP mriežkových panelov;

3. Nastriekajte spojovacie rúrky z UPVC;

4. PP špirálové trysky;

5. Balenie s dutou guľou alebo krúžkom Pall;

6. Obehové čerpadlo PP odolné voči korózii;

7. Sieťová odhmlievacia vrstva;

8. ručné a automatické zariadenia na dopĺňanie vody;

9. Prepadové a drenážne potrubia;

10. Okno kontroly.

Výber chemickej práčky:
Tabuľka technických parametrov baleného rozprašovacieho čističa

Na zabezpečenie pohodlia a bezpečnosti prepravy sú PP balené sprejové práčky rozdelené do dvoch typov:

Typ 1: Rozprašovacia práčka s integrovanou nádržou na vodu (priemer veže: Φ1000 mm – Φ2200 mm)

Typ 2: Striekacia práčka s delenou nádržou na vodu (priemer veže: Φ2500 mm – Φ3500 mm)


Špecifikácie modelu zodpovedajúce kapacite prietoku vzduchu:

Model Objem vzduchu Veľkosť zariadenia Výkon vodného čerpadla Hrúbka náplne Rýchlosť vetra Materiál vybavenia
LRTL-600 0-1500 m³/h Φ600 x 3000 0,75 kW 500*2 1,48 m/s PP/304/Q235/FRP
LRTL-800 1501-2500 m³/h Φ800 x 3000 0,75 kW 500*2 1,39 m/s PP/304/Q235/FRP
LRTL-1000 2501-4000 m³/h Φ1000x5000 1,5 kW 500*2 1,42 m/s PP/304/Q235/FRP
LRTL-1200 4001-6000 m³/h Φ1200 x 5000 2,2 kW 500*2 1,48 m/s PP/304/Q235/FRP
LRTL-1500 6001-9500 m³/h Φ1500 x 5000 3,75 kW 500*2 1,5 m/s PP/304/Q235/FRP
LRTL-1800 9501-14000 m³/h Φ1800 x 5000 5,5 kW 500*2 1,53 m/s PP/304/Q235/FRP
LRTL-2000 14001-17000 m³/h Φ2000 x 6000 5,5 kW 500*2 1,5 m/s PP/304/Q235/FRP
LRTL-2200 17001-20000 m³/h Φ2200 x 6000 7,5 kW 500*2 1,46 m/s PP/304/Q235/FRP
LRTL-2500 20001-27000m³/h Φ2500 x 6000 7,5 kW 500*2 1,53 m/s PP/304/Q235/FRP
LRTL-2800 27001-33000 m³/h Φ2800 x 6000 15kw 500*2 1,49 m/s PP/304/Q235/FRP
LRTL-3000 33001-38000 m³/h Φ3000 x 6800 15kw 500*2 1,49 m/s PP/304/Q235/FRP
LRTL-3200 38001-44000m³/h Φ3200 x 6800 15kw 500*2 1,52 m/s PP/304/Q235/FRP
LRTL-3500 44001-55000 m³/h Φ3500 x 6800 15kw 500*2 1,5 m/s PP/304/Q235/FRP

Poznámka: Neštandardné vzory je možné prispôsobiť podľa požiadaviek zákazníka. $ $

Schéma výberu:

Hangzhou Lvran Environmental Protection Group Co., Ltd.

  • 1000+

    Zákazníci servisnej jednotky

  • 2000+

    Národné inžinierske prípady

Hangzhou Lvran Environmental Protection Group Co., Ltd. je poskytovateľ komplexných inžinierskych služieb v oblasti spracovania odpadových plynov a výrobca zariadení, ktorý integruje výskum a vývoj, technické služby, dizajn, výrobu, inžiniersku inštaláciu a popredajný servis.

We are China Chemická práčka Suppliers and Wholesale Chemická práčka Exporter, Company. Skupina je národným high-tech podnikom, vedecko-technickým podnikom provincie Zhejiang, regionálnym centrom výskumu a vývoja a úverovou jednotkou s hodnotením AAA. Je držiteľom viac ako 30 patentov na úžitkové vzory, mnohých patentov na vynálezy a autorských práv na softvér. Skupina dlhodobo spolupracuje v oblasti technického výskumu a vývoja s domácimi univerzitami a inštitúciami, vrátane „Environmental Innovation R&D Center“ zriadeného s Univerzitou vedy a techniky Anhui a „Centrum výskumu a vývoja pre plazmovú energiu a nové technológie v oblasti životného prostredia“ spoločne vyvinuté s univerzitou Zhejiang Sci-Tech University. Skupina si vytvorila vlastnú výskumnú a vývojovú a výrobnú základňu pre hĺbkovú technickú spoluprácu. Skupina vlastní základnú technológiu úpravy plynu VOC, má všeobecnú kontraktačnú kvalifikáciu úrovne 2 na výstavbu komunálnych verejných prác, licenciu na bezpečnostnú výrobu, špeciálnu konštrukčnú kvalifikáciu triedy B na kontrolu znečistenia životného prostredia v provincii Zhejiang, kvalifikáciu na neklasifikované pracovné služby a špecializované kontrakty na špeciálne projekty. Skupina je certifikovaná podľa ISO9001 pre medzinárodnú kvalitu, ISO14001 pre environmentálny manažment a ISO45001 pre bezpečnosť a ochranu zdravia pri práci.

ČEST A CERTIFIKÁT

Nasledujúce ocenenia predstavujú našu brilantnosť. Získavame zákazníkov vysokokvalitnými produktmi a získavame vysokú chválu z trhu a všetkých oblastí života s dobrými službami.

  • Základná jednotka a reaktor doskového typu s vysokým elektrickým poľom na zabránenie úniku pozdĺž povrchu
  • Reakčné zariadenie na syntézu metanolu pomocou oxidu uhličitého a vody a spôsob syntézy metanolu pomocou oxidu uhličitého a vody
  • Samočistiaci elektrostatický odlučovač
  • Vysokotlakový ventilátor odolný voči korózii s funkciou nastavenia smeru vetra
  • Nastaviteľný samočistiaci vysokokapacitný ventilátor
  • Kombinovaný riadiaci systém predúpravy výfukových plynov katalytického splyňovania
  • Parné čistenie kontinuálneho elektrostatického poľa na čistenie a úpravu výfukových plynov
  • Nízkoteplotná plazmová UV fotolýza zariadenia na čistenie výfukových plynov
  • osvedčenie o registrácii ochrannej známky
Aktuálne novinky a udalosti
Podeľte sa s vami
Zobraziť viac noviniek