Veľkoobchod Mokrá práčka s cyklónovou doskou

  • Mokrá práčka s cyklónovou doskou

Mokrá práčka s cyklónovou doskou

Veža cyklónovej práčky má typicky valcové teleso veže vybavené špirálovými usmerňovačmi. Počas prevádzky vstupujú spaliny zo spodnej časti veže tangenciálne a prúdia nahor. Plyn, vedený lopatkami usmerňovačov, špirálovito stúpa nahor a rozprašuje kvapalinu stekajúcu po doskách na jemné kvapôčky. Tým sa vytvorí veľká kontaktná plocha plyn-kvapalina. Kvapôčky sú unášané prúdom plynu a rotujú, pričom vytvárajú odstredivú silu, ktorá zvyšuje interakciu plynu a kvapaliny. Nakoniec sú kvapky vrhané na stenu veže, stekajú smerom dole pozdĺž steny k ďalšej usmerňovacej doske a sú znovu atomizované prúdom plynu na ďalší kontakt. Ako je opísané, kvapalina dosahuje dôkladný kontakt s plynom pri zachovaní efektívnej separácie – minimalizuje strhávanie hmly. Zaťažiteľnosť plyn-kvapalina tohto systému je viac ako dvojnásobná v porovnaní s bežnými usmerňovačmi.

Vynikajúce podmienky kontaktu plyn-kvapalina veže zaisťujú účinnú absorpciu odpadových plynov alkalickými kvapalinami. Okrem toho veža cyklónovej práčky vykazuje vynikajúci výkon pri odstraňovaní prachu. Prachové častice v plyne sú zachytávané vodnou hmlou na špirálových usmerňovačoch a účinne sa odstraňujú aj častice a kvapky vrhané na stenu veže odstredivou silou. Výsledkom je, že plyn vystupujúci z veže nesie minimum prachu a kvapiek. Rýchlosť vetra prázdnej veže sa pohybuje medzi 2,2–2,7 m/s.

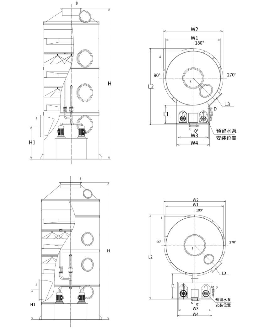
Štruktúra vírivej rozprašovacej veže:
Ako je znázornené na obrázku: Kompletný zabalený systém čistenia sprejom obsahuje nasledujúce komponenty:

● Teleso veže vyrobené z PP (polypropylénových) plechov;

● Rám skonštruovaný s PP špirálovými prepážkami;

● Striekajte spojovacie rúrky vyrobené z UPVC (nemäkčený polyvinylchlorid);

● PP špirálové trysky;

● Obehové čerpadlo PP odolné voči korózii;

● Odhmlievacia vrstva (typ sieťka/cyklón/prepážka);

● Zariadenia na ručné a automatické dopĺňanie vody;

● Prepadové a drenážne potrubia;

● Okno kontroly.

Parametre výberu cyklónovej doskovej veže:
Na zabezpečenie pohodlia a bezpečnosti prepravy sú veže PP cyklónových práčok rozdelené do dvoch kategórií špecifikácií:

Typ 1: Integrovaná cyklónová práčka s nádržou na vodu (priemer veže: Φ1000 mm – Φ2200 mm)

Typ 2: Rozdelená cyklónová práčka s nádržou na vodu (priemer veže: Φ2500 mm – Φ3500 mm)


Modely veží cyklónových čističiek zodpovedajúce kapacite prietoku vzduchu:

Model Rozsah objemu vzduchu Veľkosť zariadenia Výkon vodného čerpadla Počet vírivých lopatiek Rozsah rýchlosti vetra Materiál vybavenia
XL-600 0-2800 m³/h Φ600 × 2950 0,75 kW 2 0-2,76 m/s PP/304/Q235/FRP
XL-800 3800-5000 m³/h Φ800 × 3300 0,75 kW 2 2,11-2,77 m/s PP/304/Q235/FRP
XL-1000 6000-7500 m³/h Φ1000 × 4380 1,5 kW 2 2,13-2,66 m/s PP/304/Q235/FRP
XL-1200 8500-11000 m³/h Φ1200×4430 2,2 kW 2 2,09-2,71 m/s PP/304/Q235/FRP
XL-1500 14000-17000 m³/h Φ1500 × 5000 3,75 kW 2 2,2-2,68 m/s PP/304/Q235/FRP
XL-1800 20 000-25 000 m³/h Φ1800×5650 5,5 kW 2 2,19-2,73 m/s PP/304/Q235/FRP
XL-2000 25001-30000m³/h Φ2000 × 6200 5,5 kW 2 2,21-2,66 m/s PP/304/Q235/FRP
XL-2200 30001-37000m³/h Φ2200 × 6700 7,5 kW 2 2,19-2,71 m/s PP/304/Q235/FRP
XL-2500 40 000 - 47 000 m³/h Φ2500 × 6850 7,5 kW 2 2,27-2,66 m/s PP/304/Q235/FRP
XL-2800 49000-58000 m³/h Φ2800 × 7900 11kw 2 2,21-2,62 m/s PP/304/Q235/FRP
XL-3000 58 000 - 68 000 m³/h Φ3000 × 8000 11kw 2 2,28-2,67 m/s PP/304/Q235/FRP
XL-3200 68 000 - 78 000 m³/h Φ3200 × 8000 15kw 2 2,35-2,7 m/s PP/304/Q235/FRP
XL-3500 78 000 - 88 000 m³/h Φ3500 × 8000 15kw 2 2,25-2,54 m/s PP/304/Q235/FRP

Poznámka: Neštandardné návrhy môžu byť vyrobené podľa požiadaviek zákazníka.

Schéma výberu:

Hangzhou Lvran Environmental Protection Group Co., Ltd.

  • 1000+

    Zákazníci servisnej jednotky

  • 2000+

    Národné inžinierske prípady

Hangzhou Lvran Environmental Protection Group Co., Ltd. je poskytovateľ komplexných inžinierskych služieb v oblasti spracovania odpadových plynov a výrobca zariadení, ktorý integruje výskum a vývoj, technické služby, dizajn, výrobu, inžiniersku inštaláciu a popredajný servis.

We are China Mokrá práčka s cyklónovou doskou Suppliers and Wholesale Mokrá práčka s cyklónovou doskou Exporter, Company. Skupina je národným high-tech podnikom, vedecko-technickým podnikom provincie Zhejiang, regionálnym centrom výskumu a vývoja a úverovou jednotkou s hodnotením AAA. Je držiteľom viac ako 30 patentov na úžitkové vzory, mnohých patentov na vynálezy a autorských práv na softvér. Skupina dlhodobo spolupracuje v oblasti technického výskumu a vývoja s domácimi univerzitami a inštitúciami, vrátane „Environmental Innovation R&D Center“ zriadeného s Univerzitou vedy a techniky Anhui a „Centrum výskumu a vývoja pre plazmovú energiu a nové technológie v oblasti životného prostredia“ spoločne vyvinuté s univerzitou Zhejiang Sci-Tech University. Skupina si vytvorila vlastnú výskumnú a vývojovú a výrobnú základňu pre hĺbkovú technickú spoluprácu. Skupina vlastní základnú technológiu úpravy plynu VOC, má všeobecnú kontraktačnú kvalifikáciu úrovne 2 na výstavbu komunálnych verejných prác, licenciu na bezpečnostnú výrobu, špeciálnu konštrukčnú kvalifikáciu triedy B na kontrolu znečistenia životného prostredia v provincii Zhejiang, kvalifikáciu na neklasifikované pracovné služby a špecializované kontrakty na špeciálne projekty. Skupina je certifikovaná podľa ISO9001 pre medzinárodnú kvalitu, ISO14001 pre environmentálny manažment a ISO45001 pre bezpečnosť a ochranu zdravia pri práci.

ČEST A CERTIFIKÁT

Nasledujúce ocenenia predstavujú našu brilantnosť. Získavame zákazníkov vysokokvalitnými produktmi a získavame vysokú chválu z trhu a všetkých oblastí života s dobrými službami.

  • Základná jednotka a reaktor doskového typu s vysokým elektrickým poľom na zabránenie úniku pozdĺž povrchu
  • Reakčné zariadenie na syntézu metanolu pomocou oxidu uhličitého a vody a spôsob syntézy metanolu pomocou oxidu uhličitého a vody
  • Samočistiaci elektrostatický odlučovač
  • Vysokotlakový ventilátor odolný voči korózii s funkciou nastavenia smeru vetra
  • Nastaviteľný samočistiaci vysokokapacitný ventilátor
  • Kombinovaný riadiaci systém predúpravy výfukových plynov katalytického splyňovania
  • Parné čistenie kontinuálneho elektrostatického poľa na čistenie a úpravu výfukových plynov
  • Nízkoteplotná plazmová UV fotolýza zariadenia na čistenie výfukových plynov
  • osvedčenie o registrácii ochrannej známky
Aktuálne novinky a udalosti
Podeľte sa s vami
Zobraziť viac noviniek