Veľkoobchod FD antikorózny radiálny ventilátor

DOMOV / PRODUKT / Ventilátor / PE ventilátor / Séria FD / FD antikorózny radiálny ventilátor

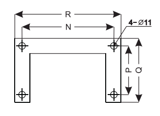
Tabuľka veľkostí odstredivého ventilátora odolného voči korózii FD

Model A B C D H ja L R N Q P
FDNO2.5A2 183 478 220 200 310 170 210 290 255 140 100
FDNO2.5A4 183 478 220 200 310 170 190 290 255 140 100
FDNO3.15A2 240 570 240 250 410 210 245 355 320 230 150
FDNO3.15A4 240 570 240 250 410 210 210 355 320 230 150

Hangzhou Lvran Environmental Protection Group Co., Ltd.

  • 1000+

    Zákazníci servisnej jednotky

  • 2000+

    Národné inžinierske prípady

Hangzhou Lvran Environmental Protection Group Co., Ltd. je poskytovateľ komplexných inžinierskych služieb v oblasti spracovania odpadových plynov a výrobca zariadení, ktorý integruje výskum a vývoj, technické služby, dizajn, výrobu, inžiniersku inštaláciu a popredajný servis.

We are China FD antikorózny radiálny ventilátor Suppliers and Wholesale FD antikorózny radiálny ventilátor Exporter, Company. Skupina je národným high-tech podnikom, vedecko-technickým podnikom provincie Zhejiang, regionálnym centrom výskumu a vývoja a úverovou jednotkou s hodnotením AAA. Je držiteľom viac ako 30 patentov na úžitkové vzory, mnohých patentov na vynálezy a autorských práv na softvér. Skupina dlhodobo spolupracuje v oblasti technického výskumu a vývoja s domácimi univerzitami a inštitúciami, vrátane „Environmental Innovation R&D Center“ zriadeného s Univerzitou vedy a techniky Anhui a „Centrum výskumu a vývoja pre plazmovú energiu a nové technológie v oblasti životného prostredia“ spoločne vyvinuté s univerzitou Zhejiang Sci-Tech University. Skupina si vytvorila vlastnú výskumnú a vývojovú a výrobnú základňu pre hĺbkovú technickú spoluprácu. Skupina vlastní základnú technológiu úpravy plynu VOC, má všeobecnú kontraktačnú kvalifikáciu úrovne 2 na výstavbu komunálnych verejných prác, licenciu na bezpečnostnú výrobu, špeciálnu konštrukčnú kvalifikáciu triedy B na kontrolu znečistenia životného prostredia v provincii Zhejiang, kvalifikáciu na neklasifikované pracovné služby a špecializované kontrakty na špeciálne projekty. Skupina je certifikovaná podľa ISO9001 pre medzinárodnú kvalitu, ISO14001 pre environmentálny manažment a ISO45001 pre bezpečnosť a ochranu zdravia pri práci.

ČEST A CERTIFIKÁT

Nasledujúce ocenenia predstavujú našu brilantnosť. Získavame zákazníkov vysokokvalitnými produktmi a získavame vysokú chválu z trhu a všetkých oblastí života s dobrými službami.

  • Základná jednotka a reaktor doskového typu s vysokým elektrickým poľom na zabránenie úniku pozdĺž povrchu
  • Reakčné zariadenie na syntézu metanolu pomocou oxidu uhličitého a vody a spôsob syntézy metanolu pomocou oxidu uhličitého a vody
  • Samočistiaci elektrostatický odlučovač
  • Vysokotlakový ventilátor odolný voči korózii s funkciou nastavenia smeru vetra
  • Nastaviteľný samočistiaci vysokokapacitný ventilátor
  • Kombinovaný riadiaci systém predúpravy výfukových plynov katalytického splyňovania
  • Parné čistenie kontinuálneho elektrostatického poľa na čistenie a úpravu výfukových plynov
  • Nízkoteplotná plazmová UV fotolýza zariadenia na čistenie výfukových plynov
  • osvedčenie o registrácii ochrannej známky
Aktuálne novinky a udalosti
Podeľte sa s vami
Zobraziť viac noviniek